詳細介紹
產品簡介:
TJ天機牌系列干式多片式電磁離合器結構合理,可采用在快速動作下的場合,適用于高頻動作的機械傳動系統,可在主動部分運轉的情況下,使從動部分與主動部分結合或分離。TJ天機干式多片電磁離合器,型號齊全,安裝簡易,散熱性良好,使用壽命長,15年臺灣品牌制造經驗。產品按照國際制造標準參數生產,適合在大多數機械設備上使用。
干式多片式電磁離合器使用注意:1、連接與切離動作:驅動部位與起動部位之間安裝離合器,則不須停止驅動處,起動處會依必要反應做連接
與切離的動作 ;
2、保持制動:為了維持慣性負荷、緊急狀況、作業途中時的機器中斷而使用制動器 ;3、變速:作業途中時有相互轉換速度的情形、此時使用離合器、則不須關閉驅動處即可變速;
4、反轉:負荷點的正反轉切換時、配合離合器使用則驅動外只要順向回轉即可。
訂購與選型:13316607853
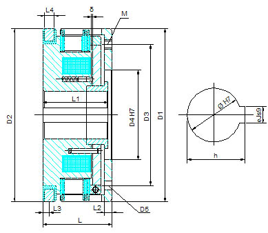
TJ干式多片電磁離合器型號參數和圖解如下:









產品中心





